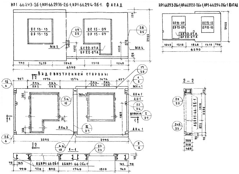
НР1-66.29.3-2бл-1

Чертеж изделия:
Чертеж НР1-66.29.3-2бл-1
Характеристики изделия:
ПараметрЗначение
Длина6590 мм
Ширина300 мм
Высота2900 мм
Масса5680 кг
Нормативный документСерия 1.132-1

НР1-66.29.3-2бл-1   Наружная стеновая панель рядовая по Серии 1.132-1.